工業刮刷片
工業刮刷片
產地台灣
工業刮刷片
工業刮刷片
產品特性符合設備應用需求:
◆ 良好抗微生物分解
◆ 耐油和冷卻液
◆ 耐酸、鹼、苯
◆ 良好抗水解性
用途:可固定在活動機構上進行刮除切硝液、鐵屑、等物件
選購方式:
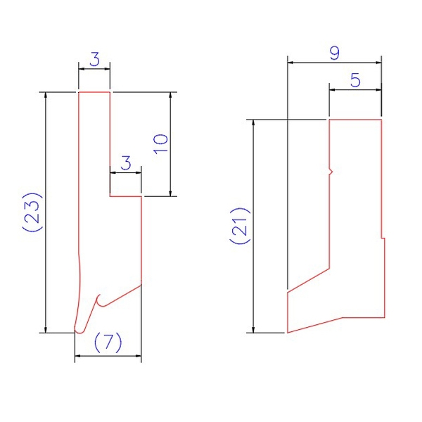
1. 依照膠條外形搭配所需要刮刷方式: A、 B,並依照所需長度裁切
更多工業刮刷片詳細內容,歡迎您來電洽詢.
工業刮刷片
工業刮刷片
產品特性符合設備應用需求:
◆ 良好抗微生物分解
◆ 耐油和冷卻液
◆ 耐酸、鹼、苯
◆ 良好抗水解性
用途:可固定在活動機構上進行刮除切硝液、鐵屑、等物件
選購方式:
1. 依照膠條外形搭配所需要刮刷方式: A、 B,並依照所需長度裁切
更多工業刮刷片詳細內容,歡迎您來電洽詢.
Top